Radušies jautājumi vai neskaidrības?

Oxipress

Ražotājs: WATEX
Produkta kods: OXI1
Šāda kombinācija neeksistē
Radušies jautājumi vai neskaidrības?
Ražotājs: WATEX
Produkta kods: OXI1
Šāda kombinācija neeksistē

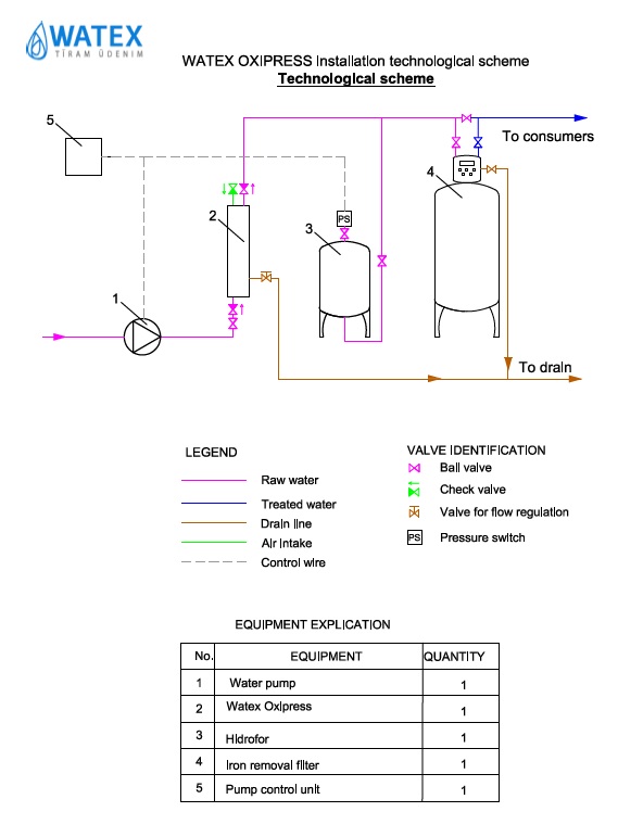
Oxipress ir ierīce, kas bagātina ūdeni ar gaisu. Šajā procesā kaitīgie piemaisījumi tiek oksidēti. Dzelzs un mangāns veido oksīdus, kurus no mehāniskiem filtriem var viegli noņemt no ūdens. Iekārtas var izmantot smaku noņemšanai, kas rodas sēra saturošu piemaisījumu gadījumā.

 
Parādīt visu aprakstu

Tehniskie parametri

Mērvienība

Modelis

OXIPRESS

Ūdens notekas savienojums

collas

¾

Garums

mm

780

Diameters

mm

105

Maksimālais spiediens

bar

6

Tilpums

l

9

Materiāls

 

AISI304

Platums cm

Augstums cm

Garums cm

Svars kg

12.00

12.00

78.00

6.40

Parādīt visu aprakstu
Parādīt visu aprakstu